- jackborn.com
- パーツレビュー
- タイヤ・ホイール
- タイヤ
- キッチン・日用品・その他
- 洗濯用品
- {{prodcut_title}}
川口技研 軒天用物干 SPI型 SPI 65 BL ブラック 高さ650 mm 2本入
川口技研 軒天用物干 SPI型 SPI 65 BL ブラック 高さ650 mm 2本入
4.7点
(238件)
レビュー一覧 238件 (総件数:238件)
おすすめの商品
Yahoo!ショッピングの商品を見る
[PR]
■サイズ・色違い・関連商品
■高さ650mmステンカラー
■高さ650mmブラック[当ページ]
■高さ850mmステンカラー
■高さ850mmブラック
■商品内容
室内干しや乾燥機だけで洗濯物を乾かす方がメインの方でも、室内干しや乾燥機では乾きづらい洗濯物など「屋外で洗濯物を干したい場面」がときどき出てくることがあります。普段は室内干し、ときどき屋外干し。そんな生活スタイルにちょうどういい着脱式の軒天用ホスクリーンになります。狭い場所におすすめです。広さや洗濯物の量に合わせて取付寸法(幅)が変えられます。狭い場所や少量の洗濯物にはコンパクトな1本使いです。厳しい品質管理のもと、国内で製造しているので安心してご使用できます。
■商品スペック
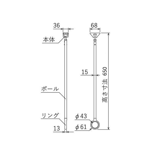
【寸法】高さ寸法/軒天からの高さ:650mmポール径:15φリング外径:61φリング外径:43φリング厚み:13mm本体寸法W×H×D:36×30×68mm
【質量】約310g/本
【目安荷重】10kg(※1本あたりの目安重量です。※物干し竿の重量も含みます。)
【原産国】日本
【付属品】本体取付ネジ:φ5×50mm2本
【カラー】ブラック
【材質】本体:アルミダイカスト(塗装仕上)、ポリアセタールポール:アルミ押出形材(アルマイト+塗装)、アルミダイカスト(塗装仕上)ネジ類:ステンレス
【使用にあっての注意事項】
※取付けは製品の落下や事故を防ぐために、建築構造を理解された施工業者様が行ってください。
※製品の落下を防ぐため、強風時はポール・竿を収納してください。
※壁面やガラス面に製品が当たらないよう、説明書に記載された寸法以上離した位置に本体を取付けてください。
※製品が当たって、ガラス等が破損する恐れがあります。
※ポールサイズによって寸法が異なりますので、取付ける前に製品が周辺に当たらないことを確認してください。
※本体の開口部を壁面やガラス面へ向けて取付けないでください。特に開口部側はポールが揺れるので気をつけてください。また、本体の開口部をベランダの外へ向けて取付けないでください。ポール着脱時にポールを落下させる危険があります。
※SPI型に竿を通して使用する際は、竿落下防止のため、市販の竿抜け止めなどを左右に使用してください。
※その他、付属の取付説明書をよくお読みになり正しく取り付けてご使用ください。
■送料・配送についての注意事項
●本商品の出荷目安は【3-8営業日※土日・祝除く】となります。
●お取り寄せ商品のため、稀にご注文入れ違い等により欠品・遅延となる場合がございます。
●本商品は仕入元より配送となるため、沖縄・離島への配送はできません。
商品番号:ds-2612016
■高さ650mmステンカラー
■高さ650mmブラック[当ページ]
■高さ850mmステンカラー
■高さ850mmブラック
■商品内容
室内干しや乾燥機だけで洗濯物を乾かす方がメインの方でも、室内干しや乾燥機では乾きづらい洗濯物など「屋外で洗濯物を干したい場面」がときどき出てくることがあります。普段は室内干し、ときどき屋外干し。そんな生活スタイルにちょうどういい着脱式の軒天用ホスクリーンになります。狭い場所におすすめです。広さや洗濯物の量に合わせて取付寸法(幅)が変えられます。狭い場所や少量の洗濯物にはコンパクトな1本使いです。厳しい品質管理のもと、国内で製造しているので安心してご使用できます。
■商品スペック
【寸法】高さ寸法/軒天からの高さ:650mmポール径:15φリング外径:61φリング外径:43φリング厚み:13mm本体寸法W×H×D:36×30×68mm
【質量】約310g/本
【目安荷重】10kg(※1本あたりの目安重量です。※物干し竿の重量も含みます。)
【原産国】日本
【付属品】本体取付ネジ:φ5×50mm2本
【カラー】ブラック
【材質】本体:アルミダイカスト(塗装仕上)、ポリアセタールポール:アルミ押出形材(アルマイト+塗装)、アルミダイカスト(塗装仕上)ネジ類:ステンレス
【使用にあっての注意事項】
※取付けは製品の落下や事故を防ぐために、建築構造を理解された施工業者様が行ってください。
※製品の落下を防ぐため、強風時はポール・竿を収納してください。
※壁面やガラス面に製品が当たらないよう、説明書に記載された寸法以上離した位置に本体を取付けてください。
※製品が当たって、ガラス等が破損する恐れがあります。
※ポールサイズによって寸法が異なりますので、取付ける前に製品が周辺に当たらないことを確認してください。
※本体の開口部を壁面やガラス面へ向けて取付けないでください。特に開口部側はポールが揺れるので気をつけてください。また、本体の開口部をベランダの外へ向けて取付けないでください。ポール着脱時にポールを落下させる危険があります。
※SPI型に竿を通して使用する際は、竿落下防止のため、市販の竿抜け止めなどを左右に使用してください。
※その他、付属の取付説明書をよくお読みになり正しく取り付けてご使用ください。
■送料・配送についての注意事項
●本商品の出荷目安は【3-8営業日※土日・祝除く】となります。
●お取り寄せ商品のため、稀にご注文入れ違い等により欠品・遅延となる場合がございます。
●本商品は仕入元より配送となるため、沖縄・離島への配送はできません。
商品番号:ds-2612016
カテゴリー:
キッチン・日用品・その他##洗濯用品##洗濯洗剤##その他
商品の状態:
新品、未使用
配送料の負担:
送料無料
配送の方法:
未定(出品者が手配)
発送元の地域:
愛知県
発送までの日数:
2~5日
マイページでカーライフを便利に楽しく!!
イベント・キャンペーン
-
55000 円
-
235000 円










